LZW32-10G2、LZW32-10G1戶外干式倒立式電流互感器
一、LZW32-10G1電流互感器戶外干式倒立式電流互感器概述
LZW32-10G1電流互感器為戶外環氧樹脂真空澆注、全封閉結構,供額定頻率50~60Hz,額定電壓10KV及以下戶外真空斷器中作繼電保護用。

二、LZW32-10G1倒立式電流互感器技術參數
注:1、可根據用戶需求制作特殊規格或高精度產品;
2、該電流互感器在使用過程中只能使用其中一個變比,幾個變比不能同時使用。
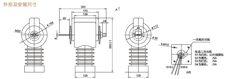
三、LZW32-10G1倒立式電流互感器產品外形及安裝尺寸
四、LZW32-10G2 戶外倒立式電流互感器概述與型號含義
專用于預付費式ZW-10真空斷路器,LZW32-10G2電流互感器為戶外環氧樹脂真空澆注、全封閉結構,供額定頻率50~60Hz,額定電壓10KV及以下戶外真空斷器中作繼電保護用。互感器使用于額定電壓不超過0.66kV的交流電路,長期工作電流不超過1.2倍額定值; 產品為減極性,一次接線標志P1、P2,相應二次接線標志S1、S2; 測量儀表接于S1、S2端子上,所接儀表的總阻抗(包括接線)不應超過互感器的額定負荷;互感器在運行中嚴禁二次開路,低壓電流互感器可以把高交流電流轉化為容易控制的低電流。
五、LZW32-10G2倒立式電流互感器技術參數
注:1、可根據用戶要求制作多變比或特殊規格,多變比互感器在使用時只能使用其中一個變比,幾個變比不能同時使用。
2、可根據客戶需求帶高壓一次引線。
六、LZW32-10G2倒立式電流互感器產品外形及安裝尺寸
七、LZW32-10G1(2,2C)戶外倒立式電流互感器概述
LZW32-10G1(2,2C)電流互感器為戶外環氧樹脂真空澆注、全封閉結構,供額定頻率50~60Hz,額定電壓10KV及以下戶外真空斷器中作繼電保護用。

八、LZW32-10G1(2,2C)戶外倒立式電流互感器技術參數
注:1、可根據用戶需求制作特殊規格或高精度產品;
2、該電流互感器在使用過程中只能使用其中一個變比,幾個變比不能同時使用。
九、LZW32-10G1(2,2C)戶外倒立式電流互感器產品外形及安裝尺寸
十、電流互感器的作用
電流互感器是一種特殊的變壓器,它被廣泛應用于供電系統中向測量儀表和繼電器的電壓線圈或電流線圈供電。
電流互感器的作用:
? (1)將一次回路的高電壓和大電流變為二次回路標準的低電壓和小電流,使測量儀表和保護裝置標準化、小型化,并使其結構輕巧、價格便宜,并便于屏內安裝。
? (2)隔離高壓電路。互感器一次側和二次側沒有電的聯系,只有磁的聯系。使二次設備與高電壓部分隔離,且互感器二次側均接地,從而保證了設備和人身的安全.
要注意的是,互感器在線路中二次側(接電流表的那一邊)是絕對不允許開路的(斷開接線),否則有可能會因為二次側的高電壓而發生危險或事故。
十一、戶外倒立式電流互感器選型推薦:
十一、浙江中拓高壓戶外電流互感器公司簡介
浙江中拓高壓電器有限公司是一家主要從事研發、生產銷售110kV及以下戶內外高低壓互感器,鐵芯、絕緣件的專業廠家。公司的10-35kV戶內外互感器,銷遍全國各地,遠銷海外多個國家和地區,深受廣大用戶信賴和好評,10kV真空斷路器用互感器已成為國內柱上開關生產企業最優選擇合作單位。2007年自主研發的主推產品LZW32-10(12)型戶外保護用電流互感器,是目前國內同類型配套互感器主要生產商。浙江中拓高壓網址:http://m.ipiaotai.com/,聯系電話:13868715829,商務QQ:40378900,歡迎來電咨詢定制。