JSZV12A-6R,JSZV12A-3R,JSZV12A-10R戶外電壓互感器XGW-12用
一、JSZV12A-6R,JSZV12A-3R,JSZV12A-10R戶外電壓互感器概述:
JSZV12A-6R,JSZV12-3R, JSZV12-10R電壓互感器是專為XGW-12型戶外交流固定工金屬封閉開關而設計的。本型電壓互感器一次繞組帶熔斷器保護,不僅提供100V測量電壓,還提供220V操作電源供繼路器使用。
二、JSZV12A-6R,JSZV12A-3R,JSZV12A-10R戶外電壓互感器技術參數:
1、負荷的功率因數COSΦ=0.8(滯后);
2、海拔高度≤1000m,滿足Ⅱ級污穢等級;
3、產品性能符合標準:GB1207-1997(電壓互感器);

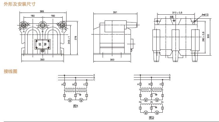
三、JSZV12A-6R,JSZV12A-3R,JSZV12A-10R戶外電壓互感器尺寸

四、JSZV12A-6R,JSZV12A-3R,JSZV12A-10R戶外電壓互感器選型推薦
JDZ(X)-10 JDZW-10R JDZW-20R JDZW3-3、6、10
JDZXW-35 JDZ(X)W-35(G) JSZXW-10R-三相電壓互感器
五、戶外電壓互感器結構簡介
JDZX10-6,JDZX10-3電壓互感器為全封閉結構,繞組為環氧樹脂全真空澆注全絕 緣結構。鐵芯采用優質硅鋼片卷繞而成?;ジ衅鹘^緣靠環氧樹脂。產品體積小、重量輕,安裝僅占有 限空間。所有繞組完全澆注在環氧樹脂中,具有優良的絕緣性能耐沖擊和機械壓力,并可以保護繞 組不受潮。一次繞組引出線端子的標志為A,N;二次繞組引出線測量級端子的標志為a, n,保護級 端子的標志為da,do均在澆注體上清晰標注.在夾件上的接地標志旁有接地螺栓供接地用,下部支 架供安裝用。整體結構緊湊,使用方便。JDZX10-3,6、10互感器的連接組標號為,1/1/1/12-12, JDZXF10-3、6、10互感器的連接組標號為1/1/1/1/12/12-12,三臺單相三繞組電壓互感器連組為(剩余電壓繞組接成開口三角形)。
六、戶外電壓互感器分類
一. 按用途分
測量用電壓互感器(或電壓互感器的測量繞組。在正常電壓范圍內,向測量、計量裝置提供電網電壓信息。
保護用電壓互感器(或電壓互感器的保護繞組。在電網故障狀態下,向繼電保護等裝置提供電網故障電壓信息。
二.按絕緣介質分
干式電壓互感器。由普通絕緣材料浸漬絕緣漆作為絕緣,多用在及以下低電壓等級。
澆注絕緣電壓互感器。由環氧樹脂或其他樹脂混合材料澆注成型,多用在及以下電壓等級。
油浸式電壓互感器。由絕緣紙和絕緣油作為絕緣,是我國最常見的結構型式,常用于及以下電壓等級。
氣體絕緣電壓互感器。由氣體作主絕緣,多用在較高電壓等級。
通常專供測量用的低電壓互感器是干式,高壓或超高壓密封式氣體絕緣(如六氟化硫)互感器也是干式。澆注式適用于35kV及以下的電壓互感器,35kV以上的產品均為油浸式。
三.按相數分
絕大多數產品是單相的,因為電壓互感器容量小,器身體積不大,三相高壓套管間的內外絕緣要求難以滿足,所以只有3-15kV的產品有時采用三相結構。
四.按電壓變換原理分
電磁式電壓互感器。根據電磁感應原理變換電壓,原理與基本結構和變壓器完全相似,我國多在及以下電壓等級采用。
電容式電壓互感器。由電容分壓器、補償電抗器、中間變壓器、阻尼器及載波裝置防護間隙等組成,用在中性點接地系統里作電壓測量、功率測量、繼電防護及載波通訊用。
光電式電壓互感器。通過光電變換原理以實現電壓變換,目前還在研制中。
五.按使用條件分
戶內型電壓互感器。安裝在室內配電裝置中,一般用在及以下電壓等級。
戶外型電壓互感器。安裝在戶外配電裝置中,多用在及以上電壓等級。
六.按一次繞組對地運行狀態分
一次繞組接地的電壓互感器。單相電壓互感器一次繞組的末端或三相電壓互感器一次繞組的中性點直接接地。
一次繞組不接地的電壓互感器。單相電壓互感器一次繞組兩端子對地都是絕緣的;三相電壓互感器一次繞組的各部分,包括接線端子對地都是絕緣的,而且絕緣水平與額定絕緣水平一致。
七.按磁路結構分
單級式電壓互感器。一次繞組和二次繞組(根據需要可設多個二次繞組同繞在一個鐵芯上,鐵芯為地電位。我國在及以下電壓等級均用單級式。
串級式電壓互感器。一次繞組分成幾個匝數相同的單元串接在相與地之間,每一單元有各自獨立的鐵芯,具有多個鐵芯,且鐵芯帶有高電壓,二次繞組(根據需要可設多個二次繞組處在最末一個與地連接的單元。我國目前在電壓等級常用此種結構型式。
組合式互感器
由電壓互感器和電流互感器組合并形成一體的互感器稱為組合式互感器,也有把與組合電器配套生產的互感器稱為組合式互感器。
七、JSZV12A-6R,JSZV12A-3R,JSZV12A-10R戶外電壓互感器符號
第一個字母:J——電壓互感器;
第二個字母:D——單相;S——三相
第三個字母:J——油浸;Z——澆注;
第四個字母:數字——電壓等級(KV)。
例如:JDJ-10表示單相油浸電壓互感器,額定電壓10KV。
額定一次電壓,作為互感器性能基準的一次電壓值。
額定二次電壓,作為互感器性能基準的二次電壓值。額定變比,額定一次電壓與額定二次電壓之比。
準確級,由互感器系統定的等級,其誤差在規定使用條件下應在規定的限值之內負荷,二次回路的阻抗,通常以視在功率(VA)表示。額定負荷,確定互感器準確級可依據的負荷值
八、JSZV12A-6R,JSZV12A-3R,JSZV12A-10R戶外電壓互感器作用
把高電壓按比例關系變換成100V或更低等級的標準二次電壓,供保護、計量、儀表裝置使用。同時,使用電壓互感器可以將高電壓與電氣工作人員隔離。電壓互感器雖然也是按照電磁感應原理工作的設備,但它的電磁結構關系與電流互感器相比正好相反。電壓互感器二次回路是高阻抗回路,二次電流的大小由回路的阻抗決定。當二次負載阻抗減小時,二次電流增大,使得一次電流自動增大一個分量來滿足一、二次側之間的電磁平衡關系。 可以說,電壓互感器是一個被限定結構和使用形式的特殊變壓器。
九、戶外電壓互感器廠家-浙江中拓高壓電器有限公司
浙江中拓高壓電器有限公司是一家主要從事研發、生產銷售110kV及以下戶內外高低壓互感器,鐵芯、絕緣件的專業廠家。公司的10-35kV戶內外互感器,銷遍全國各地,遠銷海外多個國家和地區,深受廣大用戶信賴和好評,10kV真空斷路器用互感器已成為國內柱上開關生產企業最優選擇合作單位。2007年自主研發的主推產品LZW32-10(12)型戶外保護用電流互感器,是目前國內同類型配套互感器主要生產商。